
招 標 文 件
項目名稱:安徽隆平三亞南濱基地圍墻及鋅鋼護欄新建項目
招標單位:安徽隆平高科種業有限公司
日期:2024年4月9日
根據《中華人民共和國招標投標法》、《中華人民共和國建筑法》及《安徽省招標投標條例》、《工程建設項目施工招標投標法》、《評標委員會和評標方法暫行規定》等相關規定,為體現公開、公平、公正競爭的原則,并擇優選擇施工隊伍,現將有關邀請招標事宜明確如下:
一、工程名稱:安徽隆平三亞南濱基地圍墻及鋅鋼護欄新建項目。
二、建設地點: 海南省三亞市崖州區南濱農場安徽隆平基地內。
三、工程規模:南濱農場安徽隆平基地范圍內所需新建磚混圍墻約97㎡、鋅鋼護欄約800㎡、曬場硬化200㎡。
四、招標方式:議標。
五、承包方式:本工程項目采用包工包料方式(含稅,按設計圖紙要求制作安裝,按每平方米單價計算工程量,按現場驗收的實際數量按實結算)。
六、質量標準:工程交驗質量達到國家現行施工驗收規范標準及設計規定要求。
七、招標質材范圍及要求:投標單位必須按招標單位指定用料規格及圖紙(圖集要求)設計技術要求施工與安裝。
分項施工主材:
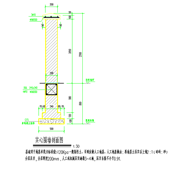
1、磚混結構實體圍墻:采用紅磚、混凝土等。(見附圖1)
①實體圍墻體:長4400cm*寬20cm*高220cm;具體按圖紙尺寸進行核算報價 。
②大門立柱:長50cm*寬50cm*高220cm;具體按圖紙尺寸進行核算報價。
2、半封閉圍墻:采用紅磚、混凝土、鋅鋼圍欄等,圍欄整體顏色為黑色(見附件2)。
①基礎及實體墻尺寸:基礎深60cm*寬50cm;實體墻高30cm*20cm,每2.5米/個,按圖紙結構圖進行核算報價 。
②鋅鋼圍欄:立柱長80mm*寬80mm*3.0mm厚鋅鋼方管,高190cm(下埋10cm),每2.5米/組;橫管:寬40mm*高40mm*3.0mm厚鋅鋼方管;豎管:長20mm*寬20mm*2mm厚鋅鋼方管;
③圍欄全長:28500cm*高210cm。
④面管連接件(接頭)須選用優質鋁合金產品,其它連接件須選用原廠配套高壓聚乙稀或指定產品,所有連接點的密封套須程尼龍產品,緊固件須用不銹鋼系列產品。
⑤安裝牢固、安全可靠,護欄表面光潔,各管、桿之間橫向、豎向間距嚴格按國家有關圖集規定標準執行。
3、全敞開圍墻:采用紅磚、混凝土、鋅鋼圍欄等,圍欄整體顏色為黑色(見附件3)。
①基礎尺寸:長600mm*寬600mm*高900mm、每2.5米/個,按圖紙結構圖進行核算報價 。
②鋅鋼圍欄:立柱長80mm*寬80mm*3.0mm厚鋅鋼方管,高2200mm(下埋10cm),每2.5米/組;橫管:寬40mm*高40mm*3.0mm厚鋅鋼方管;豎管:長20mm*寬20mm*2mm*2100mm厚鋅鋼方管。
③圍欄全長:17000cm*高210cm。
④面管連接件(接頭)須選用優質鋁合金產品,其它連接件須選用原廠配套高壓聚乙稀或指定產品,所有連接點的密封套須程尼龍產品,緊固件須用不銹鋼系列產品。
⑤安裝牢固、安全可靠,護欄表面光潔,各管、桿之間橫向、豎向間距嚴格按國家有關圖集規定標準執行。
4、曬場硬化200㎡:負責場地清理、碎石墊層5cm,基礎混凝土C20厚度10cm 。
八、工期要求:計劃工期: 7-10 天。
九、資金來源:資金到位。
十、投標人資質要求:投標人具有獨立法人資格,提供營業執照、產品合格證、安全生產許可證。
十一、領取招標文件時間:2024年4月9日至2024年4月10日;領取地址:安徽隆平高科種業有限公司人事部。
十二、投標文件提交地點及截止時間:
1、投標人與2024年4月 12 日11:30時以前將投標文件電子掃描材料統一發送至duxianjun@lpht.com.cn郵箱內。原件郵寄至安徽省合肥市高新區望江西路533號安徽隆平高科種業有限公司人事部209室;投標文件:正本一份,副本一份。
十三、報價須知:
1、投標人報價為每平方米單價包干價,包干價應包括企業應繳的各種稅費、規費、有關部門檢驗費、運貨到工地指定地點的運費及運輸保險費和安裝制作等所有費用。
2、投標人報價應分項詳細注明材料、輔料及制作安裝過程
3、投標人報價應說明:材料進場準備時間、施工工期、質保期限等相關說明。
4、投標材料裝訂要求:投標封面、投標單位營業執照及相關資質、投標報價單、材料進場施工工期說明、施工方案等,所有材料均需蓋章。
十四、評標及中標原則:
1、評標委員會由公司采購工作組人員組成,參加評標人員必須實事求是,堅持原則,公平公正對待投標報價,以合理低價確定中標單位。
2、對未中標單位不做解釋。
十五、注意事項:
1、所有參加招標的單位必須嚴格遵守招標紀律,不得串標和惡意低價投標,如發現,作廢標處理。
2、超過投標截止時間的投標書不予受理。
3、中標人必須在中標后三天內與招標人簽訂合同。
4、付款方式在簽訂合同時明確。
5、各投標人必須帶護欄制作樣品參加投標,開標后樣品留存在招標單位工程項目部,驗收時以制作樣品為準。
6、聯系電話:13956972242 0551-65846038
7、聯系地址:安徽省合肥高新區望江西路533號
安徽隆平高科種業有限公司
2024年4月8日
除圖1:


大門立柱圖:

附件2:


附件3:

